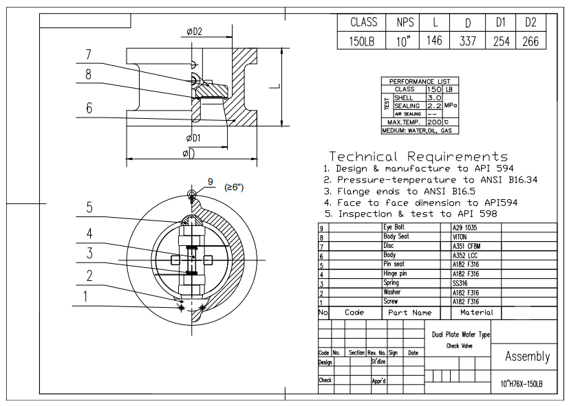
Tubuh katup
|
A352 LCC
|
Cakram
|
API 594
|
Jenis koneksi
|
RF flensa ganda
|
Dimensi tatap muka
|
API 594
|
Flange redup
|
ANSI B16.5
|
Standar uji
|
API 598
|
Suhu tekanan
|
ANSI B16.34
|
Katup periksa wafer pelat ganda
Gambar teknis

Fitur Utama:
1. Dibangun dari material LCC, katup periksa pelat ganda 10 "150lb ini menawarkan ketangguhan suhu rendah yang ditingkatkan dan ketahanan korosi.
2. Dirancang dengan badan wafer dan ujung RF, memenuhi standar API untuk pencegahan aliran balik yang efisien dan pemasangan yang mudah di antara flensa.