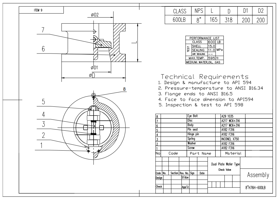
Tubuh katup
|
A217 WC6+316
|
Cakram
|
API 594
|
Jenis koneksi
|
Jenis Wafer RF
|
Dimensi tatap muka
|
API 594
|
Flange redup
|
ANSI B16.5
|
Standar uji
|
API 598
|
Suhu tekanan
|
ANSI B16.34
|
Katup periksa wafer pelat ganda
Gambar teknis

Fitur Utama:
1. Katup periksa tipe wafer ganda 8 "600lb menawarkan pencegahan backflow berkinerja tinggi dengan desain yang kuat, cocok untuk sistem tekanan tinggi.
2. Dirancang untuk memenuhi standar API 594, katup periksa gaya wafer ini memastikan pemasangan yang ringkas dan operasi yang andal dalam kondisi yang menantang.