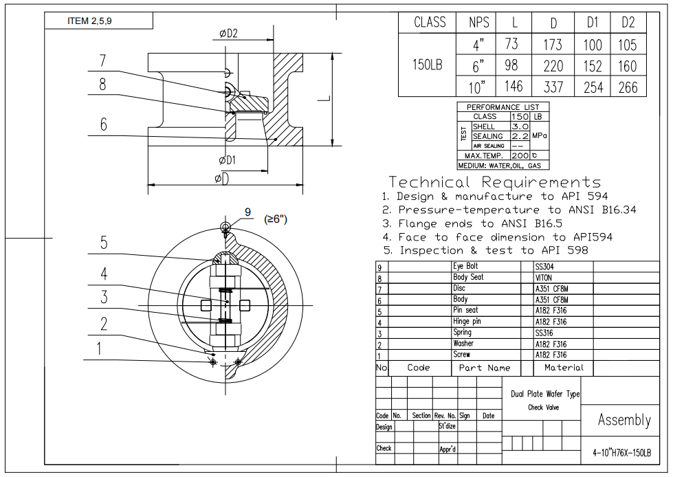
Tubuh katup
|
A35
1 cf8m
|
Cakram
|
API 594
|
Jenis koneksi
|
Jenis Wafer RF
|
Dimensi tatap muka
|
API 594
|
Flange redup
|
ANSI B16.5
|
Standar uji
|
API 598
|
Suhu tekanan
|
ANSI B16.34
|
Katup periksa wafer pelat ganda
Gambar teknis

Fitur Utama:
1. Dibangun dari stainless steel CF8M, katup periksa wafer ganda 10 "ini memastikan ketahanan korosi yang unggul dan daya tahan dalam berbagai aplikasi.
2. Patuh dengan API 594, katup ini memiliki desain pelat ganda yang menyediakan pencegahan aliran balik yang andal dan instalasi hemat ruang.